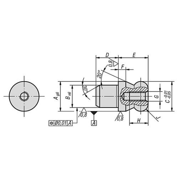
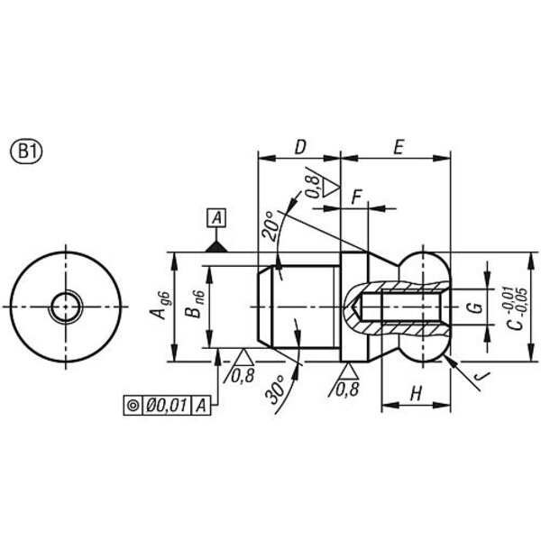
KIPP Aufnahmebolzen A=16 Form B

AUFNAHMEBOLZEN INNENGEWINDE EINSEITIG GR.1 C=16, A=16, G=M05, FORM:B ABGESETZT MIT KUGELANSATZ, WERKZEUGSTAHL
Artikelnummer: 480K0351.16
Werkstoff: Werkzeugstahl oder Edelstahl 1.4305. Ausführung: Stahl gehärtet und geschliffen. Edelstahl geschliffen und kolsterisiert. Bestellbeispiel: K0351.20 Hinweis: Die Aufnahmebolzen mit Kugelansatz erleichtern den Fügevorgang, da sie fügegerecht gestaltet sind. Die Klemmneigung, auch Schubladeneffekt genannt, die durch schräges Aufsetzen des Fügeteils oder durch nicht in der Bolzenachse wirkende Kräfte beim Aufschieben hervorgerufen wird, wird durch den Kugelansatz und die sich anschließende Fügeschräge minimiert (siehe Fügeschema 1). Zeichnungshinweis: 1) Innengewinde einseitig mit Sacklochbohrung 2) Innengewinde beidseitig mit Sacklochbohrung 3) Innengewinde beidseitig mit Durchgangsbohrung

Technische Eigenschaften:

  • A: 16
  • Ausführung 1: Innengewinde einseitig
  • B: 12
  • Befestigungsart: Passdurchmesser
  • Benennung: Aufnahmebolzen
  • C=Durchmesser: 16
  • D: 12
  • E: 16
  • F: 4
  • Form: B
  • Form-Typ: abgesetzt mit Kugelansatz
  • G: M5
  • Gewicht in kg (ERP): 0.0318
  • Gewindekernloch: Sacklochbohrung
  • Größe: 1
  • H: 10
  • J: R 4
  • Material Grundkörper: Werkzeugstahl
  • Preis inkl. MwSt.<span class="pricecomponent" ><span class="price" itemprop="price" content="25.78">25,78</span>&nbsp;<span class="currency" itemprop="priceCurrency" content="EUR">€</span></span>
  • Preis exkl. MwSt.21,66 
  • Preis exkl. MwSt.21,66 
Technische Daten
  • Gewicht31,8 g
  • EAN4059245020249
  • Herstellerartikelnummer107708
  • Wellendurchmesser16
  • WerkstoffWerkzeugstahl
  • ECLASS 14.021-13-08-90 (Befestigungselement (Normalie, Werkzeugbau, nicht spezifiziert))
  • Gewicht pro1
  • Zolltarifnummer73182900
  • Hersteller/MarkeKIPP
  • Bohrungsdurchmesser5
  • ProduktartAufnahmebolzen