NORELEM Pendelauflage Form C M8

PENDELAUFLAGE, VERSTELLBAR, FORM:C KUGEL ABGEFLACHT UND PLAN, M08, B=25, L=36...
Artikelnummer: 48002005-108
Werkstoff: Stahl oder Edelstahl. Ausführung: Stahlausführung: Gehäuse vergütet und manganphosphatiert. Mutter brüniert. Edelstahlausführung: Gehäuse vergütet und elektrolytisch poliert. Mutter blank. Hinweis: Die Kugel ist gegen Verdrehen gesichert.

Technische Eigenschaften:

  • Ausführung 2: verstellbar
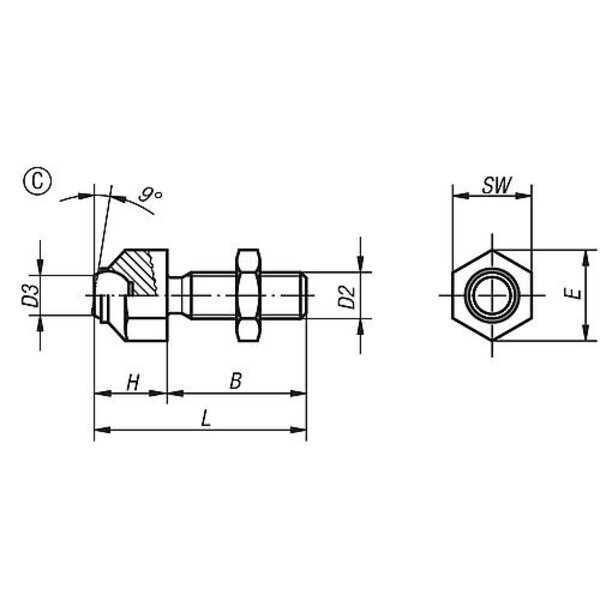
  • B=Gewindelänge: 25
  • Befestigungsart: Außengewinde
  • Belastbarkeit max. kN (nur bei statischer Belastung): 8
  • Benennung: Pendelauflage
  • D2=Gewinde: M8
  • D3: 5,8
  • E: 14,5
  • Form: C
  • Form-Typ: Kugel abgeflacht und plan
  • Gewicht in kg (ERP): 0.0207
  • H=Höhe: 11,6
  • Kugel-Ø: 8,5
  • L: 36,6
  • Material Grundkörper: Stahl
  • Material Komponente: Stahl
  • Oberfläche Grundkörper: vergütet und manganphosphatiert
  • PL Edelstahl: false
  • Produkttyp: Zylinder
  • SW: 13
  • Ursprungs-Region: 08
  • Preis inkl. MwSt.<span class="pricecomponent" ><span class="price" itemprop="price" content="42.78">42,78</span>&nbsp;<span class="currency" itemprop="priceCurrency" content="EUR">€</span></span>
  • Preis exkl. MwSt.35,95 
  • Preis exkl. MwSt.35,95 
Technische Daten
  • Gewicht21 g
  • EAN4059495008127
  • Herstellerartikelnummer02005-108
  • ECLASS 14.023-05-08-06 (Pendelkugellager)
  • Gewicht pro1
  • Zolltarifnummer84662020
  • Hersteller/MarkeNORELEM