NORELEM Arretierbolzen Gr. 3 Form C

ARRETIERBOLZEN ECO KURZE AUSFÜHRUNG GR.3 D1=M16, D=8, FORM:C M.RASTNUT, O.KON...
Artikelnummer: 48003090-03308160
Werkstoff: Stahlausführung: Arretierstift nicht gehärtet. Gewindehülse 1.0718. Arretierstift 1.4305. Edelstahlausführung: Arretierstift nicht gehärtet. Gewindehülse 1.4305. Arretierstift 1.4305. Pilzgriff Thermoplast schwarzgrau. Ausführung: Stahlausführung: Arretierstift nicht gehärtet. Gewindehülse blau passiviert. Arretierstift blank. Edelstahlausführung: Arretierstift nicht gehärtet. Stahlteile blank. Hinweis: Die Arretierbolzen werden dort eingesetzt, wo eine Veränderung der Arretierstellung durch Querkräfte verhindert werden soll. Erst nach handbetätigter Ausrückung des Bolzens kann in eine andere Arretierstellung gefahren werden. Die Arretierbolzen mit Regelgewinde und ungeschliffenen und ungehärteten Arretierstiften stellen eine preisgünstige Alternative zu den bestehenden Arretierbolzen dar. Für viele Anwendungen ist diese Präzision jedoch ausreichend. Die geringeren Fertigungstoleranzen machen die Produkte zudem unempfindlicher gegen Fluchtungsfehler, welche beim Ausrichten der Arretierbolzen zur Bohrung im Gegenstück auftreten können. Bei der Montage ist auf das angegebene max. Anziehdrehmoment zu achten. Auf Anfrage: Sonderausführungen.

Technische Eigenschaften:

  • Anzieh- drehmoment max. Nm: 20
  • Ausführung 1: mit Rastnut
  • Ausführung 2: Eco
  • Benennung: Arretierbolzen
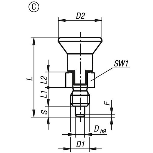
  • D=Bolzendurchmesser: 8
  • D1=Gewinde: M16
  • D2: 33
  • F x 30°: 2,3
  • Farbe Komponente: schwarzgrau RAL 7021
  • Federkraft Anfang F1 ca. N: 6
  • Federkraft Ende F2 ca. N: 13
  • Form: C
  • Form-Typ: mit Rastnut, ohne Kontermutter
  • Gewicht in kg (ERP): 0.0472
  • Größe: 3
  • Hub S: 8
  • Kontermutter: ohne Kontermutter
  • L=Länge: 54
  • L1: 12
  • L2: 10
  • Material Grundkörper: Stahl
  • Material Komponente: Thermoplast
  • Oberfläche Grundkörper: ungehärtet
  • PL Edelstahl: false
  • Produkttyp: kurze Ausführung
  • SW1: 19
  • Ursprungs-Region: 08
  • Preis inkl. MwSt.<span class="pricecomponent" ><span class="price" itemprop="price" content="18.37">18,37</span>&nbsp;<span class="currency" itemprop="priceCurrency" content="EUR">€</span></span>
  • Preis exkl. MwSt.15,44 
  • Preis exkl. MwSt.15,44 
Technische Daten
  • Gewicht47 g
  • EAN4059495337289
  • Hersteller/MarkeNORELEM
  • ECLASS 14.021-13-08-06 (Spannbolzen (Normalie, Werkzeugbau))
  • Gewicht pro1
  • Zolltarifnummer73181900
  • Bolzendurchmesser8