NORELEM Buchse

BUCHSE LANGE AUSFÜHRUNG, D1=5, H=10, WERKZEUGSTAHL
Artikelnummer: 48002026-0510
Werkstoff: Einsatzstahl. Ausführung: gehärtet und geschliffen (HRC 60 ±2). Bestellbeispiel: nlm 02026-0812

Technische Eigenschaften:

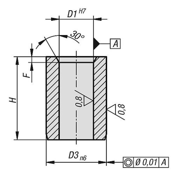
  • Ausführung 1: lange Ausführung
  • Benennung: Buchse
  • D1=Innendurchmesser: 5
  • D3: 8
  • F: 1
  • Gewicht in kg (ERP): 0.0023
  • H=Höhe: 10
  • Material Grundkörper: Werkzeugstahl
  • Oberfläche Grundkörper: gehärtet und geschliffen
  • PL Edelstahl: false
  • Preis inkl. MwSt.<span class="pricecomponent" ><span class="price" itemprop="price" content="20.79">20,79</span>&nbsp;<span class="currency" itemprop="priceCurrency" content="EUR">€</span></span>
  • Preis exkl. MwSt.17,47 
  • Preis exkl. MwSt.17,47 
Technische Daten
  • Gewicht2 g
  • EAN4059495627892
  • Herstellerartikelnummer02026-0510
  • Höhe10
  • Gewicht pro1
  • Zolltarifnummer73269098
  • Hersteller/MarkeNORELEM
  • ECLASS 14.021-13-04-13 (Buchse (Normalie, Werkzeugbau))