NORELEM Klemmexzenter Messing, d=8, h=8

KLEMMEXZENTER MESSING, D=8, H=8
Artikelnummer: 48004430-10-0808
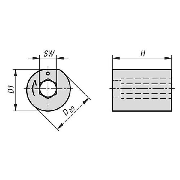
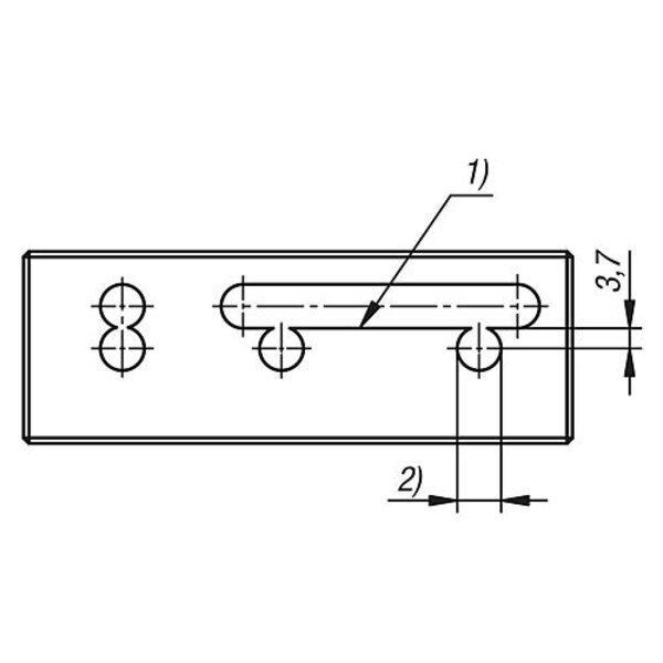
Werkstoff: Messing. Bestellbeispiel: nlm 04430-10-0808 Anwendung: Der Klemmexzenter dient zum fixieren von Bauteilen in Platten und Werkstücken. Mit dem Exzentern lassen sich lösbare Verbindungen von Bauteilen realisieren. Dank den Klemmelementen ist eine positionsgenaue Montage von Werkstücken möglich. Vorteile: In vielen Fällen kann damit eine aufwändige Querbohrung für Klemmschrauben eingespart werden. Die Aufnahmebohrung für den Klemmexzenter wird kostengünstig in der gleichen Maschinenaufspannung wie die Aufnahmebohrung bzw. Nut für das zu verbindende Bauteil gefertigt. Funktionsprinzip: Zu klemmendes Bauteil und Klemmexzenter in Grundteil einlegen. Punktmarkierung des Klemmexzenters zeigt zum zu klemmenden Bauteil. Klemmexzenter wird mit Innensechskantschlüssel in Richtung der Pfeilmarkierung festgezogen. Bauteil kann durch Zurückdrehen des Klemmexzenters wieder gelöst werden. Zeichnungshinweis: 1) Klemmkante 2) 8 H9 Tiefe min. 8

Technische Eigenschaften:

  • Benennung: Klemmexzenter
  • D=Durchmesser: 8
  • D1: 7,5
  • Gewicht in kg (ERP): 0.0026
  • H=Höhe: 8
  • Material Grundkörper: Messing
  • SW=Schlüsselweite: 3
  • Ursprungs-Region: 09
  • Preis inkl. MwSt.<span class="pricecomponent" ><span class="price" itemprop="price" content="17.84">17,84</span>&nbsp;<span class="currency" itemprop="priceCurrency" content="EUR">€</span></span>
  • Preis exkl. MwSt.14,99 
  • Preis exkl. MwSt.14,99 
Technische Daten
  • Gewicht3 g
  • EAN4059495463414
  • Herstellerartikelnummer04430-10-0808
  • Außendurchmesser8
  • ECLASS 14.021-13-08-07 (Exenterbolzen (Normalie, Werkzeugbau))
  • Gewicht pro1
  • Zolltarifnummer74198090
  • Hersteller/MarkeNORELEM
  • Höhe8