NORELEM Arretierbolzen Gr. 3 Form AP

ARRETIERBOLZEN KURZE AUSFÜHRUNG MIT GEWINDESICHERUNG GR.3 M16X1,5, D=8, FORM:...
Artikelnummer: 48003089-95308
Werkstoff: Stahlausführung: Arretierstift gehärtet: Gewindehülse und Arretierstift Automatenstahl. Edelstahlausführung: Arretierstift nicht gehärtet: Gewindehülse und Arretierstift 1.4305. Pilzgriff Thermoplast schwarzgrau. Gewindesicherung Polyamid blau. Ausführung: Stahlausführung: Arretierstift gehärtet, geschliffen und brüniert. Edelstahlausführung: Arretierstift nicht gehärtet, geschliffen und blank. Hinweis: Arretierbolzen werden dort eingesetzt, wo eine Veränderung der Arretierstellung durch Querkräfte verhindert werden soll. Erst nach handbetätigter Ausrückung des Bolzens kann in eine andere Arretierstellung gefahren werden. Soll die Ausrückung über längere Zeit erfolgen und ein Zurückspringen des Arretierstiftes vermieden werden, so ist die Form CP zu verwenden. Durch die Gewindesicherung kann die Einbautiefe exakt auf die vorhandenen Bauteile abgestimmt werden, somit ist kein Anschlagen notwendig. Die Gewindesicherung ist eine klemmende Polyamid Beschichtung, die punktuell (Fleck) aufgetragen ist. Auf Anfrage: Sonderausführungen. Zubehör: Distanzringe 03089

Technische Eigenschaften:

  • Ausführung 1: ohne Rastnut
  • Ausführung 2: kurze Ausführung
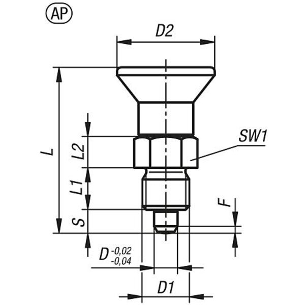
  • Benennung: Arretierbolzen
  • D=Bolzendurchmesser: 8
  • D1=Gewinde: M16x1,5
  • D2: 33
  • F x 30°: 2,3
  • Farbe Komponente: schwarzgrau RAL 7021
  • Federkraft Anfang F1 ca. N: 14
  • Federkraft Ende F2 ca. N: 28
  • Form: AP
  • Form-Typ: ohne Rastnut, ohne Kontermutter
  • Gewicht in kg (ERP): 0.0528
  • Größe: 3
  • Hub S: 8
  • Kontermutter: ohne Kontermutter
  • L=Länge: 54
  • L1: 12
  • L2: 10
  • Material Grundkörper: Stahl
  • Material Komponente: Thermoplast
  • Oberfläche Grundkörper: gehärtet
  • PL Edelstahl: false
  • Produkttyp: mit Gewindesicherung
  • REACh: false
  • SW1: 19
  • Ursprungs-Region: 08
  • Preis inkl. MwSt.<span class="pricecomponent" ><span class="price" itemprop="price" content="25.09">25,09</span>&nbsp;<span class="currency" itemprop="priceCurrency" content="EUR">€</span></span>
  • Preis exkl. MwSt.21,08 
  • Preis exkl. MwSt.21,08 
Technische Daten
  • Gewicht53 g
  • EAN4059495342986
  • Hersteller/MarkeNORELEM
  • Bolzendurchmesser8
  • ECLASS 14.021-13-07-02 (Tragbolzen (Normalie, Werkzeugbau))
  • Gewicht pro1
  • Zolltarifnummer73181900
  • Außendurchmesser33
  • Höhe54