NORELEM Arretierbolzen Gr. 0 Form A

ARRETIERBOLZEN GR.0 D1=M08X1, D=4, FORM:A OHNE RASTNUT OHNE KONTERMUTTER, KUR...
Artikelnummer: 48003089-5004
Werkstoff: Stahlausführung: Arretierstift gehärtet: Festigkeitsklasse 5.8. Edelstahlausführung: Arretierstift nicht gehärtet: Gewindehülse 1.4305. Arretierstift 1.4305. Pilzgriff Thermoplast schwarzgrau oder verkehrsrot RAL3020. Ausführung: Stahlausführung: Arretierstift gehärtet, geschliffen und brüniert. Edelstahlausführung: Arretierstift nicht gehärtet, geschliffen und blank. Hinweis: Arretierbolzen werden dort eingesetzt, wo eine Veränderung der Arretierstellung durch Querkräfte verhindert werden soll. Erst nach handbetätigter Ausrückung des Bolzens kann in eine andere Arretierstellung gefahren werden. Soll die Ausrückung über längere Zeit erfolgen und ein Zurückspringen des Arretierstiftes vermieden werden, so ist die Form C bzw. Form D zu verwenden. Auf Anfrage: Sonderausführungen.

Technische Eigenschaften:

  • Ausführung 1: ohne Rastnut
  • Benennung: Arretierbolzen
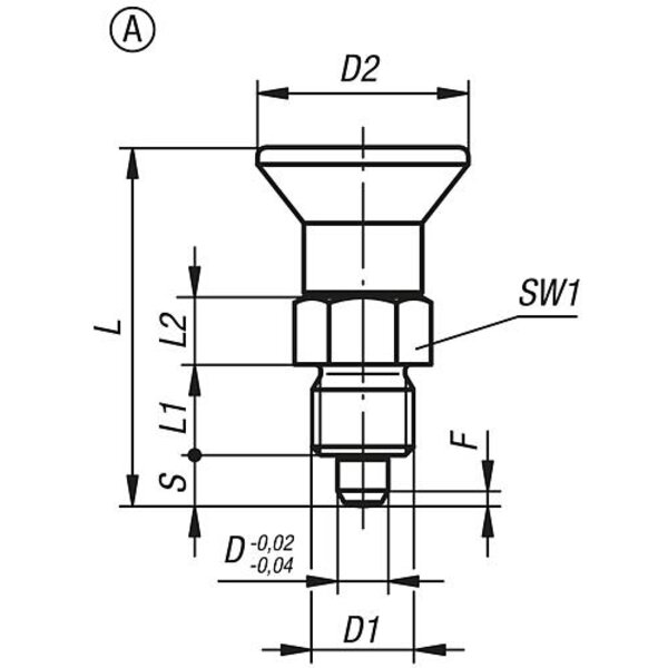
  • D=Bolzendurchmesser: 4
  • D1=Gewinde: M8x1
  • D2: 18
  • F x 30°: 1
  • Farbe Komponente: schwarzgrau RAL 7021
  • Federkraft Anfang F1 ca. N: 4
  • Federkraft Ende F2 ca. N: 12
  • Festigkeitsklasse: 5.8
  • Form: A
  • Gewicht in kg (ERP): 0.0073
  • Größe: 0
  • Hub S: 4
  • Kontermutter: ohne Kontermutter
  • L=Länge: 29,5
  • L1: 6
  • L2: 6
  • Material Grundkörper: Stahl
  • Material Komponente: Thermoplast
  • Oberfläche Grundkörper: gehärtet
  • PL Edelstahl: false
  • Produkttyp: kurze Ausführung
  • Stahlschlüssel Grundkörper: 1.4034
  • SW1: 10
  • Ursprungs-Region: 08
  • Preis inkl. MwSt.<span class="pricecomponent" ><span class="price" itemprop="price" content="19.62">19,62</span>&nbsp;<span class="currency" itemprop="priceCurrency" content="EUR">€</span></span>
  • Preis exkl. MwSt.16,49 
  • Preis exkl. MwSt.16,49 
Technische Daten
  • Gewicht7 g
  • EAN4059495022925
  • Herstellerartikelnummer03089-5004
  • Außendurchmesser8
  • Höhe29.5
  • Gewicht pro1
  • Zolltarifnummer73181900
  • Hersteller/MarkeNORELEM
  • Bolzendurchmesser4
  • ECLASS 14.021-13-08-90 (Befestigungselement (Normalie, Werkzeugbau, nicht spezifiziert))