NORELEM Arretierbolzen Gr. 0 Form A

ARRETIERBOLZEN GR.0 D1=M08X1, D=4, FORM:A O.RASTNUT, O.KONTERMUTTER, STAHL GE...
Artikelnummer: 48003089-1004
Arretierbolzen werden eingesetzt, wenn eine Veränderung der Arretierstellung durch Querkräfte verhindert werden soll. Beispiele hierfür sind Längen- und Höhenarretierung sowie Positionsarretierung im Maschinen-, Geräte-, Möbel- und Sonderfahrzeugbau. Erst nach handbetätigter Ausrückung des Bolzens kann in eine andere Arretierstellung gefahren werden. Soll die Ausrückung über längere Zeit erfolgen und ein Zurückspringen des Arretierstiftes vermieden werden, so ist die Form C bzw. Form D zu verwenden. Die verwendeten Werkstoffe ermöglichen einen vielfältigen Einsatz bis hin zu Anwendungen mit höchsten Anforderungen an die Korossionsbeständigkeit. Werkstoff: Stahlausführung: Gewindehülse und Arretierstift Automatenstahl. Druckfeder 1.4310. Edelstahlausführung A2: Gewindehülse 1.4305. Arretierstift gehärtet 1.4034. Arretierstift nicht gehärtet 1.4305. Druckfeder 1.4310. Edelstahlausführung A4: Gewindehülse und Arretierstift 1.4404. Druckfeder 1.4401 oder 1.4571. Pilzgriff Thermoplast schwarzgrau oder verkehrsrot RAL3020. Ausführung: Stahlausführung: Gewindehülse brüniert. Arretierstift gehärtet, geschliffen und brüniert. Edelstahlausführung A2: Gewindehülse blank. Arretierstift gehärtet oder nicht gehärtet, geschliffen und blank. Edelstahlausführung A4: Gewindehülse blank. Arretierstift geschliffen, chemisch vernickelt oder blank. Auf Anfrage: Sonderausführungen. Zubehör: Distanzringe 03089

Technische Eigenschaften:

  • Ausführung 1: ohne Rastnut
  • Benennung: Arretierbolzen
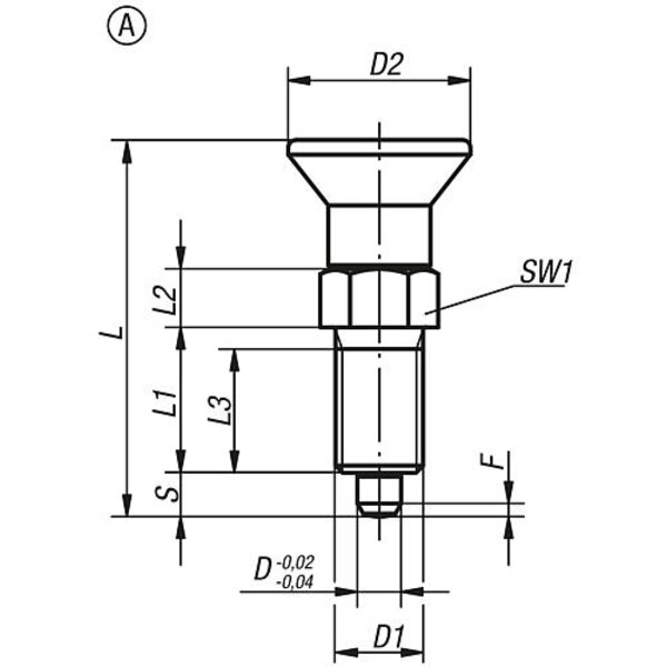
  • D=Bolzendurchmesser: 4
  • D1=Gewinde: M8x1
  • D2: 18
  • F x 30°: 1
  • Farbe Komponente: schwarzgrau RAL 7021
  • Federkraft Anfang F1 ca. N: 6
  • Federkraft Ende F2 ca. N: 12
  • Form: A
  • Form-Typ: ohne Rastnut, ohne Kontermutter
  • Gewicht in kg (ERP): 0.0100
  • Größe: 0
  • Hub S: 4
  • Kontermutter: ohne Kontermutter
  • L=Länge: 38,5
  • L1: 15
  • L2: 6
  • L3: 13
  • Material Grundkörper: Stahl
  • Material Komponente: Thermoplast
  • Oberfläche Grundkörper: gehärtet
  • Produkttyp: Standard
  • SW1: 10
  • Ursprungs-Region: 08
  • Preis inkl. MwSt.<span class="pricecomponent" ><span class="price" itemprop="price" content="18.53">18,53</span>&nbsp;<span class="currency" itemprop="priceCurrency" content="EUR">€</span></span>
  • Preis exkl. MwSt.15,57 
  • Preis exkl. MwSt.15,57 
Technische Daten
  • Gewicht10 g
  • EAN4059495020907
  • Herstellerartikelnummer03089-1004
  • ECLASS 14.021-13-08-90 (Befestigungselement (Normalie, Werkzeugbau, nicht spezifiziert))
  • Gewicht pro1
  • Zolltarifnummer73181900
  • Hersteller/MarkeNORELEM