NORELEM Arretierbolzen Gr. 2 Form A

ARRETIERBOLZEN GR.2 D1=M12X1,5, D=6, FORM:A OHNE RASTNUT OHNE KONTERMUTTER, S...
Artikelnummer: 48003090-1206
Werkstoff: Stahlausführung: Gewindehülse und Arretierstift Automatenstahl. Edelstahlausführung: Arretierstift gehärtet: Gewindehülse 1.4305. Arretierstift 1.4034. Arretierstift nicht gehärtet: Gewindehülse 1.4305. Arretierstift 1.4305. Pilzgriff Thermoplast schwarzgrau. Ausführung: Stahlausführung: Gewindehülse brüniert. Arretierstift gehärtet, geschliffen und brüniert. Edelstahlausführung: Gewindehülse blank. Arretierstift gehärtet, geschliffen und blank. Arretierstift nicht gehärtet, geschliffen und blank. Hinweis: Arretierbolzen werden dort eingesetzt, wo eine Veränderung der Arretierstellung durch Querkräfte verhindert werden soll. Erst nach handbetätigter Ausrückung des Bolzens kann in eine andere Arretierstellung gefahren werden. Soll die Ausrückung über längere Zeit erfolgen und ein Zurückspringen des Arretierstiftes vermieden werden, so ist die Form C bzw. Form D zu verwenden. Auf Anfrage: Sonderausführungen. Zubehör: Distanzringe 03089

Technische Eigenschaften:

  • Ausführung 1: ohne Rastnut
  • Benennung: Arretierbolzen
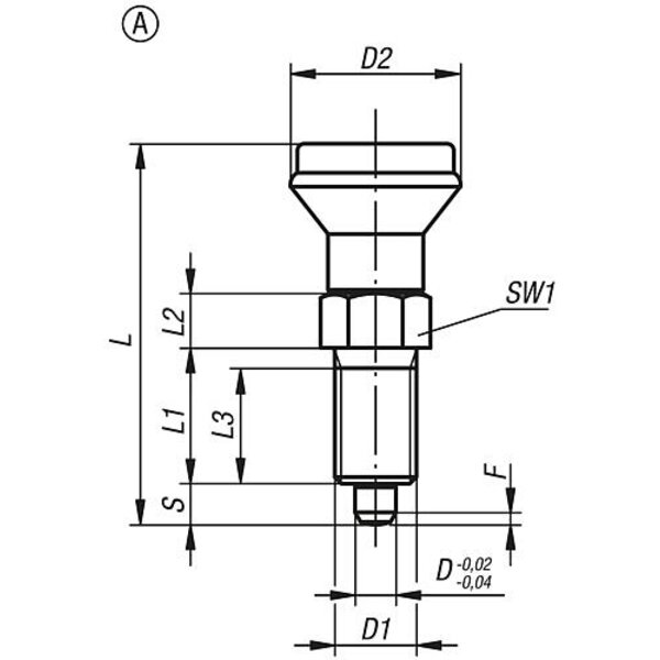
  • D=Bolzendurchmesser: 6
  • D1=Gewinde: M12x1,5
  • D2: 25
  • F x 30°: 1,8
  • Farbe Deckel : schwarzgrau RAL 7021
  • Farbe Komponente: schwarzgrau RAL 7021
  • Federkraft Anfang F1 ca. N: 6
  • Federkraft Ende F2 ca. N: 14
  • Festigkeitsklasse: 5.8
  • Form: A
  • Gewicht in kg (ERP): 0.0287
  • Größe: 2
  • Hub S: 6
  • Kontermutter: ohne Kontermutter
  • L=Länge: 56
  • L1: 20
  • L2: 8
  • L3: 17
  • Material Grundkörper: Stahl
  • Material Komponente: Thermoplast
  • Oberfläche Grundkörper: gehärtet
  • PL Edelstahl: false
  • Produkttyp: Standard
  • SW1: 14
  • Ursprungs-Region: 08
  • Preis inkl. MwSt.<span class="pricecomponent" ><span class="price" itemprop="price" content="20.78">20,78</span>&nbsp;<span class="currency" itemprop="priceCurrency" content="EUR">€</span></span>
  • Preis exkl. MwSt.17,46 
  • Preis exkl. MwSt.17,46 
Technische Daten
  • Gewicht29 g
  • EAN4059495023878
  • Herstellerartikelnummer03090-1206
  • ECLASS 14.021-13-08-01 (Einspannzapfen (Normalie, Werkzeugbau))
  • Gewicht pro1
  • Zolltarifnummer73181900
  • Hersteller/MarkeNORELEM