KIPP federndes Druckstück M6

FEDERNDES DRUCKSTÜCK STANDARD FEDERKRAFT, MIT ZUSTANDSSENSOR, SCHLIEßER D=M06, L=27, L1=3, STAHL,
Artikelnummer: 480K0656.5062
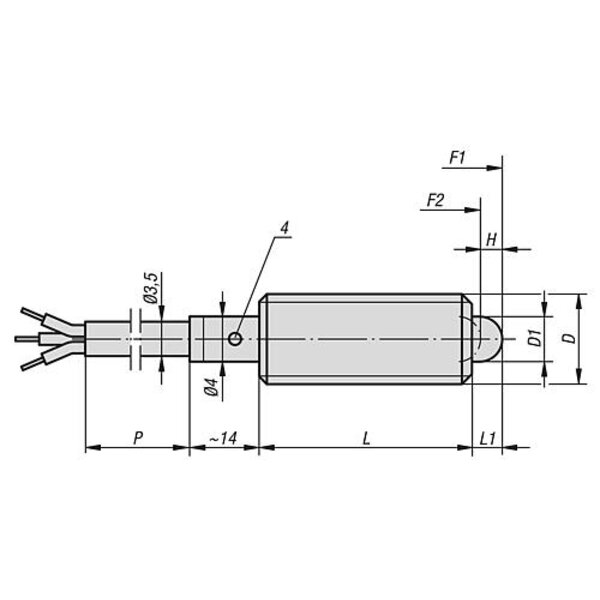
Neben ihrer mechanischen Funktion als Rast- und Positionierelement dienen Federnde Druckstücke mit Zustandssensor dazu, abzufragen, ob sich ein Bauteil in der gewünschten Position befindet oder nicht. Der Sensor erkennt, ob der Druckstift ein- oder ausgefahren ist und ermöglicht die elektronische Verarbeitung dieser Zustandsinformation. Werkstoff: Hülse, Druckstift und Feder Stahl. Zustandssensor Edelstahl. Ausführung: brüniert. Druckstift gehärtet. Bestellbeispiel: K0656.5081 Hinweis: Der Zustandssensor schaltet bei einem Hub von H. Anwendung: Federnde Druckstücke mit Zustandssensor ermöglichen eine zustandsabhängige Prozesssteuerung. Es kann sichergestellt werden, dass sich ein Werkstück oder bewegliches Bauteil am gewünschten Ort befindet. Temperaturbereich: Temperaturbereich: -25° C - +70°C Technische Daten: Induktiver Sensor: Ausgangsschaltung: PNP Schließer (NO) oder Öffner (NC) Betriebsspannung: 10 – 30 V DC Betriebsstrom: <200 ma="" schaltabstand:="" 0,8="" mm="" schaltfrequenz:="" 2000="" hz="" kurzschlussfest:="" ja="" verpolungssicher:="" ja="" schutzart:="" ip67="" anschlussart:="" 2="" m="" pvc-kabel="" zulassung:="" ce="" sicherheit:="" federnde="" druckstücke="" mit="" zustandssensor="" sind="" nicht="" zur="" absicherung="" von="" personen="" geeignet.="" zeichnungshinweis:="" 4)="" led-anzeige="" bn="Braun" bk="Schwarz" bu="Blau" anwendungsbeispiel="" positionsabfrage:="" pos.="" 1:="" schieber="" eingerastet="" pos.="" 2:="" schieber="" ausgerastet="" 3)="" schieber="">

Technische Eigenschaften:

  • Ausführung 1: mit Zustandssensor
  • Ausführung 2: Schließer
  • Benennung: Federndes Druckstück
  • D=Gewinde: M6
  • D1: 2,7
  • Federkraft: Standard
  • Federkraft Anfang F1 ca. N: 7
  • Federkraft Ende F2 ca. N: 20
  • Form Druckstück: Druckbolzen
  • Gewicht in kg (ERP): 0.0320
  • H: 2
  • L=Länge: 27
  • L1=Länge: 3
  • Material Druckstück: Stahl
  • Material Grundkörper: Stahl
  • Material Komponente: Bolzen aus Stahl
  • Mitnahmeprofil: Näherungsschalter
  • P=Kabellänge: 2000
  • VPE: 1
  • Preis inkl. MwSt.<span class="pricecomponent" ><span class="price" itemprop="price" content="75.12">75,12</span>&nbsp;<span class="currency" itemprop="priceCurrency" content="EUR">€</span></span>
  • Preis exkl. MwSt.63,13 
  • Preis exkl. MwSt.63,13 
Technische Daten
  • Gewicht32 kg
  • EAN4059245007554
  • Herstellerartikelnummer104581
  • WerkstoffStahl
  • Gewinde M6
  • ECLASS 14.021-13-06-11 (Druckstück, federnd (Normalie, Werkzeugbau))
  • Gewicht pro1000
  • Zolltarifnummer85365019
  • Hersteller/MarkeKIPP
  • Länge27
  • Ausführungbrüniert