NUTENSTEIN EINSCHWENKBAR D=M06 B=11,6 STAHL, MIT FEDERBAND

NUTENSTEIN EINSCHWENKBAR D=M06 B=11,6 STAHL, MIT FEDERBAND
Artikelnummer: 48007078-0806

Technische Eigenschaften:

  • Ausführung 1: einschwenkbar
  • Ausführung 2: mit Federband
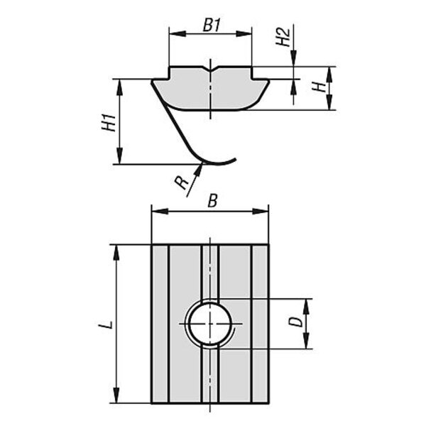
  • B=Breite: 11,6
  • B1: 7,9
  • Benennung: Nutenstein
  • D=Gewinde: M6
  • Gewicht in kg (ERP): 0.0046
  • H=Höhe: 4,6
  • H1: 8,8
  • H2: 1
  • L=Länge: 16
  • Material Grundkörper: Stahl
  • Nutbreite: 8
  • Oberfläche Grundkörper: verzinkt
  • PL Edelstahl: false
  • Produkttyp: für Aluminiumprofil Typ B
  • R: 3
  • Ursprungs-Region: 020
  • Preis inkl. MwSt.<span class="pricecomponent" ><span class="price" itemprop="price" content="12.36">12,36</span>&nbsp;<span class="currency" itemprop="priceCurrency" content="EUR">€</span></span>
  • Preis exkl. MwSt.10,39 
  • Preis exkl. MwSt.10,39 
Technische Daten
  • Gewicht5 g
  • EAN4059495430454
  • Herstellerartikelnummer07078-0806
  • ECLASS 14.023-09-03-14 (Sicherungsblech Nutmutter)
  • Gewicht pro1
  • Zolltarifnummer84662020
  • Wellendurchmesser d16