KIPP Metallbalgkupplung Mit Radialer

METALLBALGKUPPLUNG MIT RADIALER KLEMMNABE GR.18, D1=25, D2=25, L=58, ALUMINIUM, KOMP:EDELSTAHL, D4=45
Artikelnummer: 480K1884.0180582525
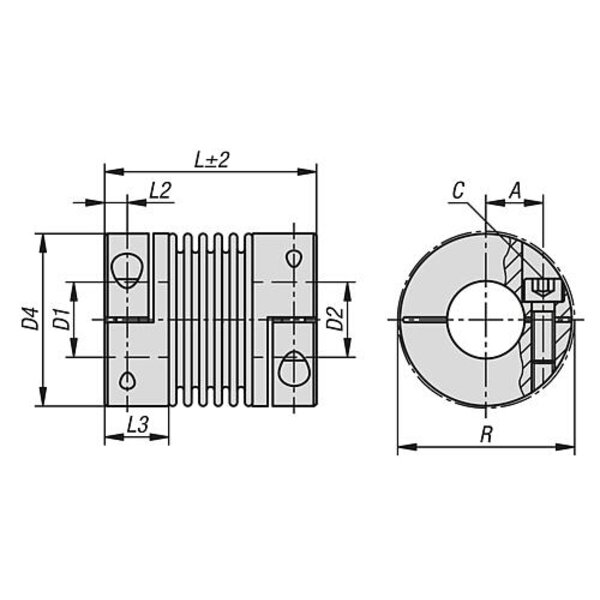
Werkstoff: Nabe Aluminium. Balg Edelstahl. Ausführung: Blank. Bestellbeispiel: K1884.0600671919 Hinweis: Metallbalgkupplungen mit hoher Verdrehsteifigkeit. Der Metallbalg gleicht axialen, radialen und winkeligen Wellenversatz bei geringen Rückstellkräften aus. Mit Klemmnaben zur Wellenbefestigung. Sie werden bevorzugt eingesetzt wenn eine präzise Positions- und Bewegungsübertragung erforderlich ist wie z.B. Servomotoren in Werkzeugmaschinen, Verpackungsmaschinen, Holzbearbeitungsmaschinen und in der Automatisierungstechnik. Temperaturbereich: -30 °C bis +120 °C. Montage: Die Metallbalgkupplungen haben eine H7 Passung. Das empfohlene Passungsspiel beträgt 0,02 mm - 0,05 mm. Dieses Passungsspiel und das Einölen der Wellenzapfen erleichtern die Montage und Demontage. Der Metallbalg darf bei der Montage und Demontage max. 3-fach über die im Katalog angegebenen zulässigen Verlagerungswerte verformt werden. Vermeiden Sie jegliche Kraftanwendung. Auf Anfrage: Gewünschte Nabenbohrungen D1 und D2 separat mit Toleranzklasse oder -feld. Passfedernut nach DIN 6885. Größtmögliche Bohrung bei Passfedernut bitte beachten.

Technische Eigenschaften:

  • A: 17
  • Anziehdreh- moment der Schrauben Nm: 8
  • Ausführung 1: mit radialer Klemmnabe
  • Benennung: Metallbalgkupplung
  • C (ISO 4029): M5
  • D1 (H7): 25
  • D1/D2 max.: 25,4
  • D1/D2 min.: 10
  • D1/D2 max. bei Passfedernut: 25,4
  • D2 (H7): 25
  • D4: 45
  • Federsteifigkeit axial (N/mm): 50
  • Federsteifigkeit radial (N/mm): 205
  • Gewicht in kg (ERP): 0.1197
  • Größe: 18
  • L=Länge: 58
  • L2: 5,5
  • L3: 17,5
  • Material Grundkörper: Aluminium
  • Material Komponente: Edelstahl
  • max. Drehzahl 1/min: 12800
  • max. Winkelversatz (°): 1,5
  • max. Wellenversatz axial (mm): 0,5
  • max. Wellenversatz radial (mm): 0,2
  • Nennmoment Nm: 18
  • R: 47,4
  • Torsionssteife (10³ Nm/rad): 20
  • Trägheitsmoment (gm²): 0,03
  • Preis inkl. MwSt.<span class="pricecomponent" ><span class="price" itemprop="price" content="113.53">113,53</span>&nbsp;<span class="currency" itemprop="priceCurrency" content="EUR">€</span></span>
  • Preis exkl. MwSt.95,40 
  • Preis exkl. MwSt.95,40 
Technische Daten
  • Gewicht119,70 kg
  • EAN4059245675302
  • Herstellerartikelnummer285451
  • TypMetallbalgkupplung
  • MaterialALUMINIUM
  • Gewicht pro1000
  • Zolltarifnummer84836080
  • Hersteller/MarkeKIPP
  • Bohrung25
  • ECLASS 14.023-03-10-05 (Ganzmetallkupplung (biegenachgiebig))