KIPP Metallbalgkupplung Mit Radialer

METALLBALGKUPPLUNG MIT RADIALER KLEMMNABE GR.100, D1=15, D2=19, L=47, EDELSTAHL, KOMP:EDELSTAHL, D4=40,5
Artikelnummer: 480K1880.1000471519
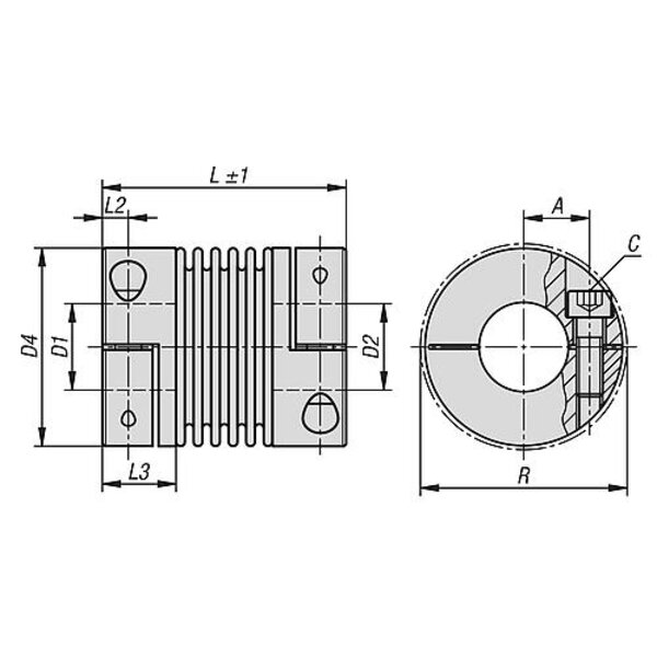
Werkstoff: Nabe Edelstahl. Balg Edelstahl. Ausführung: Blank. Bestellbeispiel: K1880.0050250404 Hinweis: Spielfreie Miniatur-Metallbalgkupplungen mit hoher Verdrehsteifigkeit. Der Metallbalg gleicht axialen, radialen und winkeligen Wellenversatz bei geringen Rückstellkräften aus. Mit Klemmnaben zur Wellenbefestigung. Sie werden bevorzugt eingesetzt wenn eine präzise Positions- und Bewegungsübertragung erforderlich ist, wie z.B. hochdynamische Positionier- und Servosysteme, Drehgeber, Tachos, Potentiometer. Temperaturbereich: -30 °C bis +120 °C. Montage: Die Metallbalgkupplungen haben eine H7 Passung. Das empfohlene Passungsspiel beträgt 0,02 mm - 0,05 mm. Dieses Passungsspiel und das Einölen der Wellenzapfen erleichtern die Montage und Demontage. Der Metallbalg darf bei der Montage und Demontage max. 3-fach über die im Katalog angegebenen zulässigen Verlagerungswerte verformt werden. Vermeiden Sie jegliche Kraftanwendung. Auf Anfrage: Gewünschte Nabenbohrungen D1 und D2 separat mit Toleranzklasse oder -feld. Passfedernut nach DIN 6885. Größtmögliche Bohrung bei Passfedernut bitte beachten.

Technische Eigenschaften:

  • A: 15,5
  • Anziehdreh- moment der Schrauben Nm: 4,5
  • Ausführung 1: mit radialer Klemmnabe
  • Benennung: Metallbalgkupplung
  • C (ISO 4029): M4
  • D1 (H7): 15
  • D1/D2 max.: 25
  • D1/D2 min.: 6
  • D1/D2 max. bei Passfedernut: 25
  • D2 (H7): 19
  • D4: 40,5
  • Federsteifigkeit axial (N/mm): 27
  • Federsteifigkeit radial (N/mm): 120
  • Gewicht in kg (ERP): 0.2046
  • Größe: 100
  • L=Länge: 47
  • L2: 5
  • L3: 13,5
  • Material Grundkörper: Edelstahl
  • Material Komponente: Edelstahl
  • max. Drehzahl 1/min: 15000
  • max. Winkelversatz (°): 1,5
  • max. Wellenversatz axial (mm): 0,4
  • max. Wellenversatz radial (mm): 0,15
  • Nennmoment Nm: 10
  • R: 41,5
  • Torsionssteife Nm/rad : 8100
  • Trägheitsmoment (gcm²): 513
  • Preis inkl. MwSt.<span class="pricecomponent" ><span class="price" itemprop="price" content="195.42">195,42</span>&nbsp;<span class="currency" itemprop="priceCurrency" content="EUR">€</span></span>
  • Preis exkl. MwSt.164,22 
  • Preis exkl. MwSt.164,22 
Technische Daten
  • Gewicht204,60 kg
  • EAN4059245677955
  • Herstellerartikelnummer287358
  • TypMetallbalgkupplung
  • MaterialEdelstahl
  • Gewicht pro1000
  • Zolltarifnummer84836080
  • Hersteller/MarkeKIPP
  • Bohrung15
  • ECLASS 14.023-03-10-05 (Ganzmetallkupplung (biegenachgiebig))