KIPP Metallbalgkupplung Mit Radialer

METALLBALGKUPPLUNG MIT RADIALER KLEMMNABE GR.15, D1=5, D2=6, L=26, ALUMINIUM, KOMP:EDELSTAHL, D4=20
Artikelnummer: 480K1879.0150260506
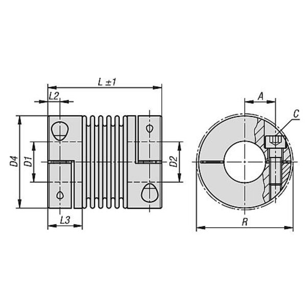
Werkstoff: Nabe Aluminium. Balg Edelstahl. Ausführung: Blank. Bestellbeispiel: K1879.0100260606 Hinweis: Spielfreie Miniatur-Metallbalgkupplungen mit hoher Verdrehsteifigkeit. Der Metallbalg gleicht axialen, radialen und winkeligen Wellenversatz bei geringen Rückstellkräften aus. Mit Klemmnaben zur Wellenbefestigung. Sie werden bevorzugt eingesetzt wenn eine präzise Positions- und Bewegungsübertragung erforderlich ist, wie z.B. hochdynamische Positionier- und Servosysteme, Drehgeber, Tachos, Potentiometer. Temperaturbereich: -30 °C bis +120 °C. Montage: Die Metallbalgkupplungen haben eine H7 Passung. Das empfohlene Passungsspiel beträgt 0,02 mm - 0,05 mm. Dieses Passungsspiel und das Einölen der Wellenzapfen erleichtern die Montage und Demontage. Der Metallbalg darf bei der Montage und Demontage max. 3-fach über die im Katalog angegebenen zulässigen Verlagerungswerte verformt werden. Vermeiden Sie jegliche Kraftanwendung. Auf Anfrage: Gewünschte Nabenbohrungen D1 und D2 separat mit Toleranzklasse oder -feld. Passfedernut nach DIN 6885. Größtmögliche Bohrung bei Passfedernut bitte beachten.

Technische Eigenschaften:

  • A: 7
  • Anziehdreh- moment der Schrauben Nm: 0,85
  • Ausführung 1: mit radialer Klemmnabe
  • Benennung: Metallbalgkupplung
  • C (ISO 4029): M2,5
  • D1 (H7): 5
  • D1/D2 max.: 10
  • D1/D2 min.: 3
  • D1/D2 max. bei Passfedernut: 10
  • D2 (H7): 6
  • D4: 20
  • Federsteifigkeit axial (N/mm): 15
  • Federsteifigkeit radial (N/mm): 59
  • Gewicht in kg (ERP): 0.0143
  • Größe: 15
  • L=Länge: 26
  • L2: 3
  • L3: 8,5
  • Material Grundkörper: Aluminium
  • Material Komponente: Edelstahl
  • max. Drehzahl 1/min: 15000
  • max. Winkelversatz (°): 1,5
  • max. Wellenversatz axial (mm): 0,3
  • max. Wellenversatz radial (mm): 0,1
  • Nennmoment Nm: 1,5
  • R: 21
  • Torsionssteife Nm/rad : 750
  • Trägheitsmoment (gcm²): 8
  • Preis inkl. MwSt.<span class="pricecomponent" ><span class="price" itemprop="price" content="51.1">51,10</span>&nbsp;<span class="currency" itemprop="priceCurrency" content="EUR">€</span></span>
  • Preis exkl. MwSt.42,94 
  • Preis exkl. MwSt.42,94 
Technische Daten
  • Gewicht14,30 kg
  • EAN4059245677412
  • Herstellerartikelnummer287304
  • TypMetallbalgkupplung
  • MaterialALUMINIUM
  • Gewicht pro1
  • Zolltarifnummer84836080
  • Hersteller/MarkeKIPP
  • Bohrung5
  • ECLASS 14.023-03-10-05 (Ganzmetallkupplung (biegenachgiebig))